Характеристики
1 Категория сайта
Промышленные светильники > IP67
Степень защиты
IP67
Напряжение, В
175-264
Материал корпуса
Анодированный алюминий
Климатическое исполнение
УХЛ1
Срок службы, часов
100000
Световой поток
36000 Лм
Мощность
240 Вт
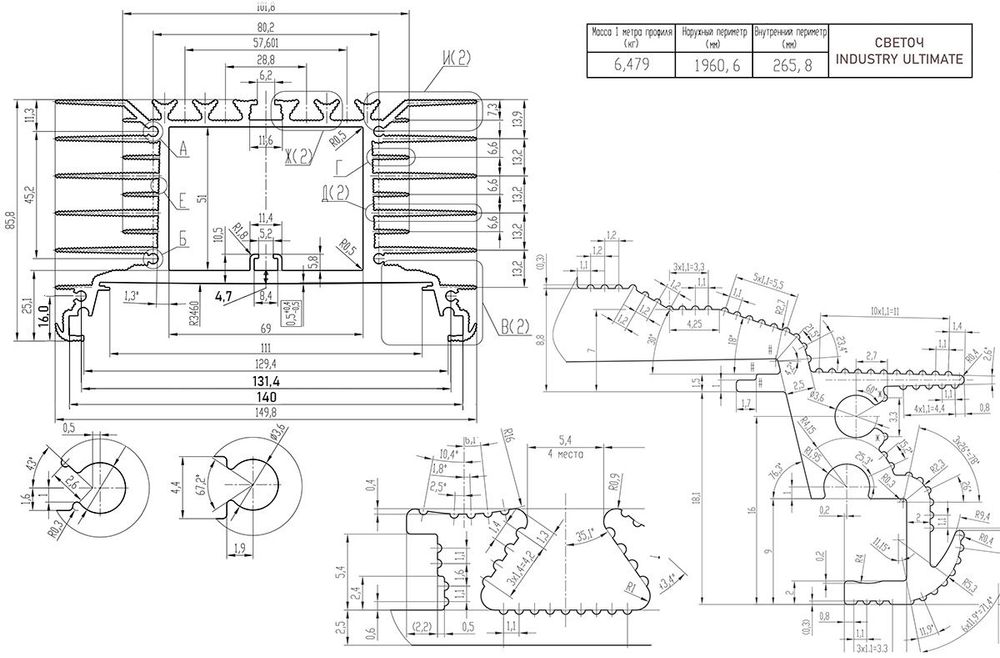
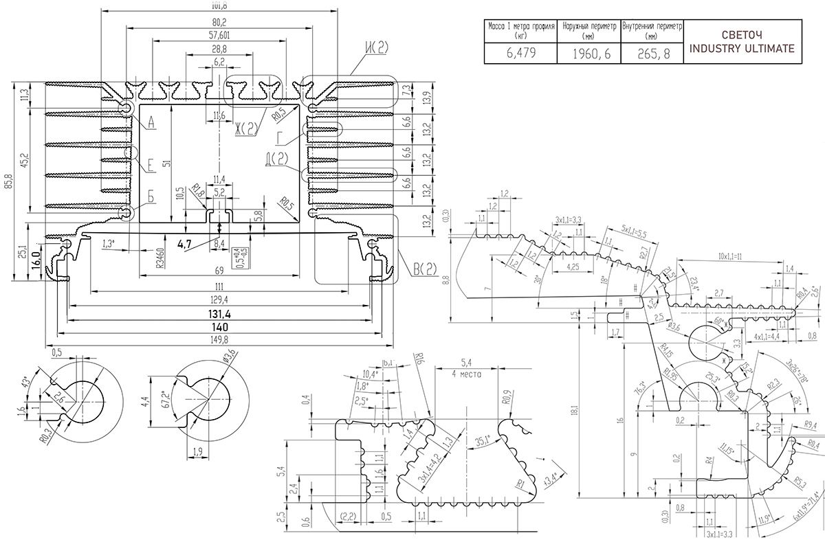
Размеры
510х440х67 х3 по 80вт
Гарантия производителя
3 года
Производство
Россия
Мощность светильника, Вт
240 W
Световой поток , Лм
36000 Лм
Гарантийный срок, мес.
36
Габаритные размеры, мм
510х440х67 х3 по 80вт
Тип монтажа
Поворотное настенное крепление/Консольное крепление с изменяемым углом наклона/Утановка 2х и 3х светильников на одну платформу
Диапазон температур, °C
-50...+60
Рассеиватель
Прозрачный
Угол излучения, °
120
Описание
Высокотемпературные светодиодные светильники предназначены для освещения горячих цехов, котельных, промышленных, металлургических и сталелитейных предприятий, ТЭЦ и АЭС.
Светильники обладают улучшенными характеристиками теплопроводности и стабильно работают при температурах до 60+ градусов.
Защита от перегрева драйвера и светодиодных модулей позволяет давать на светильник стандартную гарантию 3 года.
Возможна установка на светильник дополнительной оптики, которая будет защищена темперированным стеклом.
Варианта монтажа: возможна установка на поворотное настенное крепление, консольное крепление с изменяемым углом наклона, а так же установка 2х и 3х светильников на одну платформу.
Для подбора нужных характеристик промышленного высокотемпературного освещения – обращайтесь к менеджерам Подольского завода. Сделаем расчет, чтобы определить мощность, выбрать оптику и степень защиты (IP).
Запросы пишите на почту: zakaz@gaem.ru
Получить цену и срок поставки: 8 (499) 322-11-31
Показать полностью
Отзывы
Отзывов еще никто не оставлял
Описание
Высокотемпературные светодиодные светильники предназначены для освещения горячих цехов, котельных, промышленных, металлургических и сталелитейных предприятий, ТЭЦ и АЭС.
Светильники обладают улучшенными характеристиками теплопроводности и стабильно работают при температурах до 60+ градусов.
Защита от перегрева драйвера и светодиодных модулей позволяет давать на светильник стандартную гарантию 3 года.
Возможна установка на светильник дополнительной оптики, которая будет защищена темперированным стеклом.
Варианта монтажа: возможна установка на поворотное настенное крепление, консольное крепление с изменяемым углом наклона, а так же установка 2х и 3х светильников на одну платформу.
Для подбора нужных характеристик промышленного высокотемпературного освещения – обращайтесь к менеджерам Подольского завода. Сделаем расчет, чтобы определить мощность, выбрать оптику и степень защиты (IP).
Запросы пишите на почту: zakaz@gaem.ru
Получить цену и срок поставки: 8 (499) 322-11-31
Характеристики
Бренд
Подольский Завод Светотехники
1 Категория сайта
Промышленные светильники > IP67
Степень защиты
IP67
Напряжение, В
175-264
Материал корпуса
Анодированный алюминий
Климатическое исполнение
УХЛ1
Срок службы, часов
100000
Световой поток
36000 Лм
Мощность
240 Вт
Размеры
510х440х67 х3 по 80вт
Гарантия производителя
3 года
Производство
Россия
Мощность светильника, Вт
240 W
Световой поток , Лм
36000 Лм
Гарантийный срок, мес.
36
Габаритные размеры, мм
510х440х67 х3 по 80вт
Тип монтажа
Поворотное настенное крепление/Консольное крепление с изменяемым углом наклона/Утановка 2х и 3х светильников на одну платформу
Диапазон температур, °C
-50...+60
Рассеиватель
Прозрачный
Угол излучения, °
120
